Keyswitch Wiring - Honda BF115

You know the drill..

Moderators: Redneck_Randy, badmoonrising, lakerunner

Post Reply
Message
Author
User avatar
sunedog
Posts: 360
Joined: Thu Apr 13, 2006 4:48 am

Keyswitch Wiring - Honda BF115

#1 Post by sunedog » Mon Aug 14, 2017 4:28 pm

Need to replace the keyswitch for a 2000 Honda BF115 on a 2001 Bennington pontoon. It is rigged with Evinrude/OMC contols and keyswitch panel. I thought it would be simple, but the wire colors I have don't match anything I see in my research. Can someone please tell me which wire connects to which terminal on the new keyswitch?

Oh...and all the diagrams I see have 6 wires. My existing keyswitch only has 5 wires attached to it. So there's that, too. Do I just conclude one terminal on the new keyswitch is unused in my application?

Here are the wire colors coming off the original keyswitch in clockwise order:

1. black w/ red stripe
2. solid black
3. black w/ white stripe
4. black w/ yellow stripe
5. (in center) white w/ black stripe

And here are the terminals on the new keyswitch with their purpose:

B battery
A accessory
C primer
S start
M magneto
M ground


TIA

TDJ2591
Posts: 360
Joined: Mon Jun 02, 2014 4:33 pm
Location: Smith Lake, AL

Re: Keyswitch Wiring - Honda BF115

#2 Post by TDJ2591 » Tue Aug 15, 2017 5:48 am

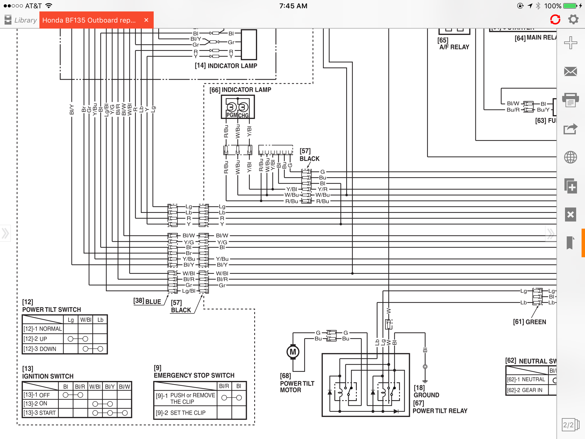
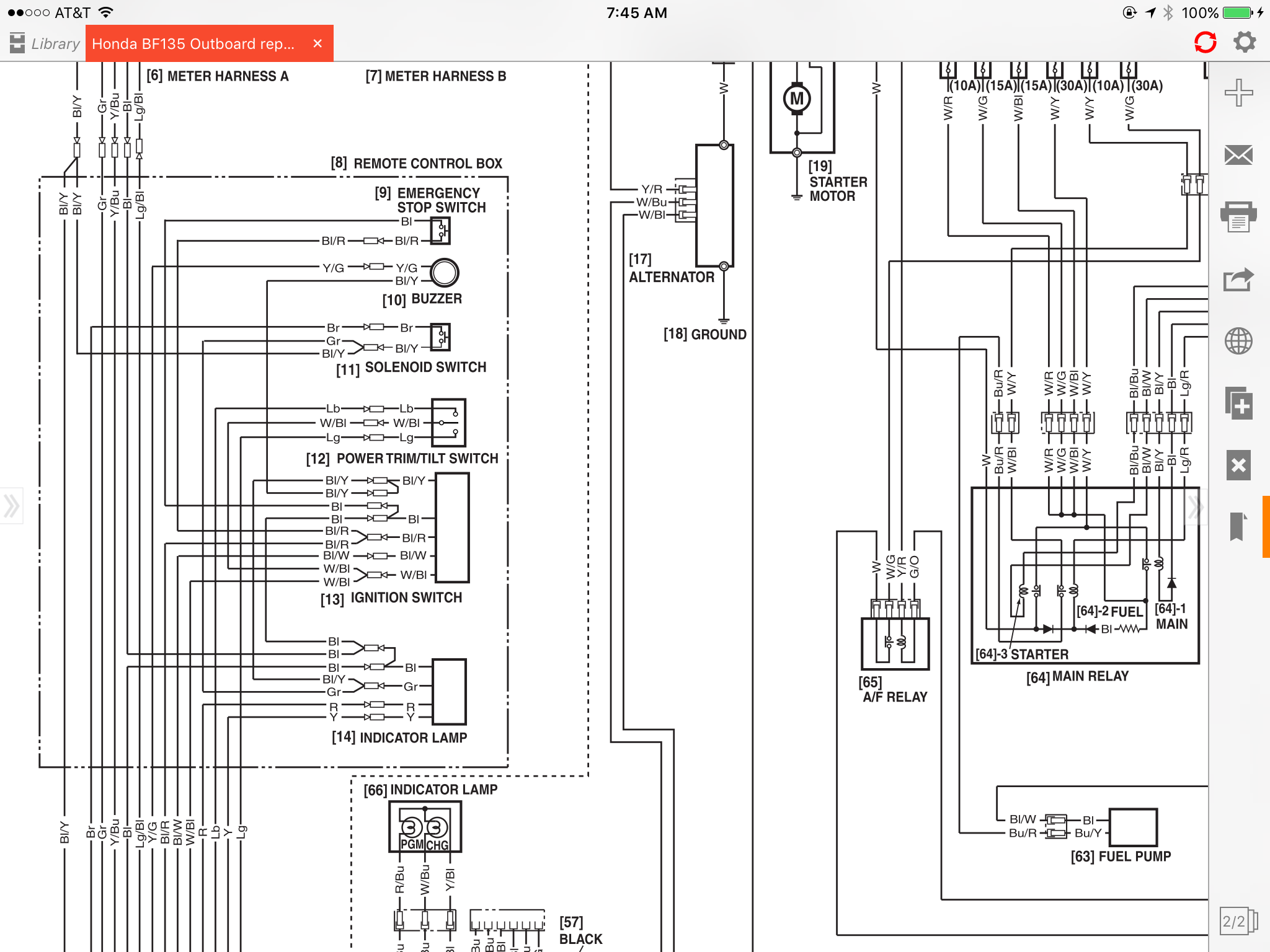
I don't know if this will be of any help to you but here's the wiring diagram for the switch on my Honda.
Attachments
IMG_2936.PNG
IMG_2936.PNG (309.58 KiB) Viewed 3395 times
IMG_2935.PNG
IMG_2935.PNG (348.26 KiB) Viewed 3395 times
[color=#4000FF]2005 Crest Caribbean 25'
2006 Honda 135hp 4 stroke[/color]

User avatar
sunedog
Posts: 360
Joined: Thu Apr 13, 2006 4:48 am

Re: Keyswitch Wiring - Honda BF115

#3 Post by sunedog » Wed Aug 16, 2017 5:07 am

Thank you so much for taking the time to post that. It basically validates what I have. All the wire colors on the diagram for the ignition switch section match what I have. Unfortunately, it still doesn't help me figure out which wire goes to which terminal on the new keyswitch.

I think, based on info I just got on thehulltruth.com, that I need a Honda switch even though the boat is rigged with OMC / Evinrude binnacle controls, panels, etc.

User avatar
sunedog
Posts: 360
Joined: Thu Apr 13, 2006 4:48 am

Re: Keyswitch Wiring - Honda BF115

#4 Post by sunedog » Fri Sep 01, 2017 4:29 am

To close this thread, I finally got a Honda OEM keyswitch and the wire colors all matched up.

Post Reply