Mercury's wiring diagram for a Perko switch

You know the drill..

Moderators: Redneck_Randy, badmoonrising, lakerunner

Post Reply
Message
Author
User avatar
TSully980
Posts: 80
Joined: Tue Apr 10, 2012 5:58 pm
Location: Raymore, MO & LOTO
Contact:

Mercury's wiring diagram for a Perko switch

#1 Post by TSully980 » Mon Oct 01, 2012 6:54 pm

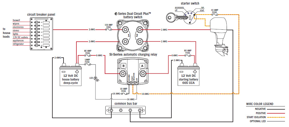
I ran into some issues with my boat and whether or not the batteries are wired correctly. This is what Merc sent to me.
Attachments
Merc switch wiring.gif
Merc switch wiring.gif (41.62 KiB) Viewed 1618 times
2012 Berkshire 251 RFC
200hp Verado

User avatar
tms0425
Posts: 155
Joined: Mon Jul 09, 2012 6:58 pm
Location: NE Indiana

Re: Mercury's wiring diagram for a Perko switch

#2 Post by tms0425 » Mon Oct 01, 2012 7:05 pm

If it was my brand new boat I'd give the guys at BEPMarine.com a call and see if they'll give some advice. They do this stuff all day long with multiple Verado's and batteries, which is the norm for most offshore boats.

I'm not sure if you have an isolator to allow charging of both batteries as needed, but this is what I used http://www.hellroaring.com/simple.php and it worked great.
2013 Bennington 2275RCWL ESP w/Mercury Verado 250 Pro
Mid-America PT24T tandem trailer

User avatar
TSully980
Posts: 80
Joined: Tue Apr 10, 2012 5:58 pm
Location: Raymore, MO & LOTO
Contact:

Re: Mercury's wiring diagram for a Perko switch

#3 Post by TSully980 » Mon Oct 01, 2012 7:08 pm

Yes I do have an isolator and after my marina gets back with I may give Bepmarine.com a shout. What irritates me is my marina has been in business since 1968 and should KNOW how all this stuff is done!
2012 Berkshire 251 RFC
200hp Verado

User avatar
tms0425
Posts: 155
Joined: Mon Jul 09, 2012 6:58 pm
Location: NE Indiana

Re: Mercury's wiring diagram for a Perko switch

#4 Post by tms0425 » Mon Oct 01, 2012 7:19 pm

Well, you have a beautiful boat and I would think they want to keep you happy, but try to be patient with them first and get them working FOR you not against you because you're frustrated. There are a lot of variations in thinking on battery setups, especially with so many "keep alive" memory type feeds needed these days, however particularly with the Verado, I'd stick to what Merc recommends.

I joined http://www.veradoclub.com and there is a lot of good information there from Verado experts.
2013 Bennington 2275RCWL ESP w/Mercury Verado 250 Pro
Mid-America PT24T tandem trailer

User avatar
TSully980
Posts: 80
Joined: Tue Apr 10, 2012 5:58 pm
Location: Raymore, MO & LOTO
Contact:

Re: Mercury's wiring diagram for a Perko switch

#5 Post by TSully980 » Mon Oct 01, 2012 7:27 pm

Thanks Tom!

I have read all the info at veradoclub.com top to bottom. Yes.......a wealth of info there.
I am giving my marina a good heart earned effort. Albeit this is the first time for any service from them and the first time for service on my boat. They are getting a good chance to earn my business and praise.
Troy
2012 Berkshire 251 RFC
200hp Verado

User avatar
BobG
Posts: 1842
Joined: Mon May 14, 2012 6:24 am
Location: Gilpin County, CO

Re: Mercury's wiring diagram for a Perko switch

#6 Post by BobG » Tue Oct 02, 2012 5:34 am

That thing has no fuses!!!

BlueSea has a diagram with fuses!
Attachments
Add A Battery Schematic.jpg
Add A Battery Schematic.jpg (101.71 KiB) Viewed 1546 times
2012 Tahoe 24' Fish-n-Fun Tritoon, with Mercury 115 HP 4-Stroke
"Trine SS Cape" (Trying 2S Cape)
Add a battery: viewtopic.php?t=13546&p=105893#p105893
I'm not a liberal, but I play one on this site.

User avatar
tms0425
Posts: 155
Joined: Mon Jul 09, 2012 6:58 pm
Location: NE Indiana

Re: Mercury's wiring diagram for a Perko switch

#7 Post by tms0425 » Tue Oct 02, 2012 5:42 am

Very good catch and Blue Sea is great too.

My own setup definitely has fuses all over the place which is why I also have a storage container full of spares onboard!
2013 Bennington 2275RCWL ESP w/Mercury Verado 250 Pro
Mid-America PT24T tandem trailer

User avatar
ronb
Posts: 534
Joined: Thu May 17, 2012 1:14 pm
Location: ALOT of ND

Re: Mercury's wiring diagram for a Perko switch

#8 Post by ronb » Tue Oct 02, 2012 7:04 am

Part C, 150 Amp Fusible Link. (but you'd hate for this to be your only failsafe)

In the other thread I assumed... that the large cylindrical connections were twist together fuse holders, symbolic of the olden days. Now they just look like HUGE connectors..

User avatar
GregF
Posts: 3323
Joined: Thu Aug 26, 2010 8:47 pm
Location: Estero Florida

Re: Mercury's wiring diagram for a Perko switch

#9 Post by GregF » Tue Oct 02, 2012 10:43 am

Fusible links are popular because they are cheaper than a fuse and a fuse holder.
A 150a fuse holder lists for about $90 and the fuse lists at about $30. Street prices may be about half that.
If you bought one from a marine supplier, double that.
1974 Harris
70 HP 4 stroke EFI Yamaha

Post Reply