Starter problems
Moderators: Redneck_Randy, badmoonrising, lakerunner
-
FAT BOTTOM GIRL
- Posts: 68
- Joined: Sun Feb 05, 2012 10:49 am
- Location: Centeral Pa
Starter problems
Can I change out the starter motor on my party cruiser while in the river at the dock ?
I removed the batteries & put a plywood board in the battery/engine compartment & put foam boards to level the ply & can't find to b sure the bolts that fasten the starter to the case , does anybody know where to find an exploded view to illustrate how the starter bolts up to the engine ?
Man this bites ! Wished it would have happened while on the trailer before I put it in the river !!
I tryed bypassing the selinoide to start up & just get clicking noise. 2 new batteries & no start. It would turn over but just clicks now ?
I removed the batteries & put a plywood board in the battery/engine compartment & put foam boards to level the ply & can't find to b sure the bolts that fasten the starter to the case , does anybody know where to find an exploded view to illustrate how the starter bolts up to the engine ?
Man this bites ! Wished it would have happened while on the trailer before I put it in the river !!
I tryed bypassing the selinoide to start up & just get clicking noise. 2 new batteries & no start. It would turn over but just clicks now ?
03 suntracker party cruiser 3.0 I/O
- badmoonrising
- Site Admin
- Posts: 10066
- Joined: Fri Mar 30, 2007 7:04 pm
- Location: Chesapeake City, Maryland
Re: Starter problems
Can it be done ? Yes. Not very easy to do as it is cramped in there. There are 2 bolts, facing downward. Should be 1/2 inch. When you bypassed the solenoid, did you bypass the starter slave solenoid mounted on top of the motor, or the main solenoid on the starter ?
The slave solenoid has an EXTREMELY high failure rate. I had 2 boats with the same engine. 3 solenoids on my Starcraft in 10 years and one on my Party Cruiser after 2 years.
I swapped it with a gold cart (very heavy duty, metal case) solenoid. Never had the problem again.
Here's a video that may help.
http://www.youtube.com/watch?v=3yksWGzWuKU
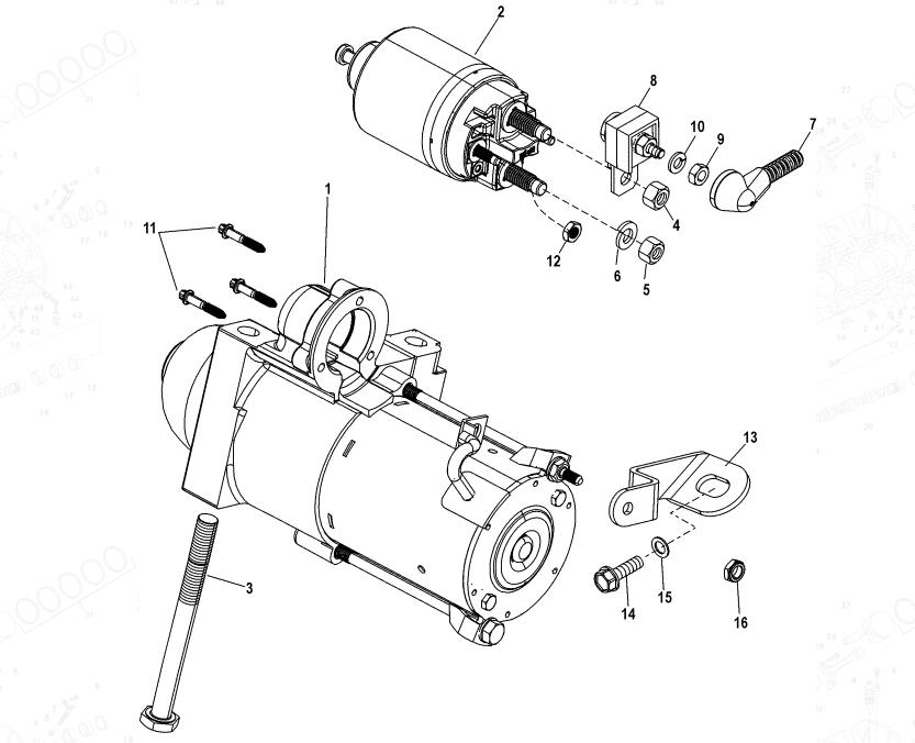
Here's a diagram of the 3.0 starter:
The slave solenoid has an EXTREMELY high failure rate. I had 2 boats with the same engine. 3 solenoids on my Starcraft in 10 years and one on my Party Cruiser after 2 years.
I swapped it with a gold cart (very heavy duty, metal case) solenoid. Never had the problem again.
Here's a video that may help.
http://www.youtube.com/watch?v=3yksWGzWuKU
Here's a diagram of the 3.0 starter:
- Attachments
-
- mer30starter.jpg (66.25 KiB) Viewed 3739 times
Ed, Cheryl, Ethan and Aspen.
2013 Sun Tracker Party Barge 22 w/90 HP Mercury, "Hellrhighwater 2"
2014 E-350 Extended XLT.
Chesapeake City ,MD
2013 Sun Tracker Party Barge 22 w/90 HP Mercury, "Hellrhighwater 2"
2014 E-350 Extended XLT.
Chesapeake City ,MD
-
FAT BOTTOM GIRL
- Posts: 68
- Joined: Sun Feb 05, 2012 10:49 am
- Location: Centeral Pa
Re: Starter problems
Ok. Now that's what I needed.
I just bypassed the starter solenoid & unaware of the one that's remote & more accessible , hoping that's where the problem is.
Soon as I get to the boat after work the battery is going back in !
Does the solenoid go bad slowly ? It seemed like the motor didn't like the cooler mornings. On Saturday it was a cold start in the morning engine would turn over like a weak battery & then just click. Shortly after just click.
Just bought 2 new battery's , they both can't b bad.
As in the video fan , lighting & horn work fine !
Hope this works , the starter is going to b a PITA & I don't have monkey arms , more like Trex!
Thanks
I just bypassed the starter solenoid & unaware of the one that's remote & more accessible , hoping that's where the problem is.
Soon as I get to the boat after work the battery is going back in !
Does the solenoid go bad slowly ? It seemed like the motor didn't like the cooler mornings. On Saturday it was a cold start in the morning engine would turn over like a weak battery & then just click. Shortly after just click.
Just bought 2 new battery's , they both can't b bad.
As in the video fan , lighting & horn work fine !
Hope this works , the starter is going to b a PITA & I don't have monkey arms , more like Trex!
Thanks
03 suntracker party cruiser 3.0 I/O
- badmoonrising
- Site Admin
- Posts: 10066
- Joined: Fri Mar 30, 2007 7:04 pm
- Location: Chesapeake City, Maryland
Re: Starter problems
Yes, at first the solenoid will randomly not engage then get progressively worse. 99.9999 percent of the time it's the slave solenoid. Only time the starters go bad is if there's a leak in the bilge enough to cover the starter. Good luck.
Ed, Cheryl, Ethan and Aspen.
2013 Sun Tracker Party Barge 22 w/90 HP Mercury, "Hellrhighwater 2"
2014 E-350 Extended XLT.
Chesapeake City ,MD
2013 Sun Tracker Party Barge 22 w/90 HP Mercury, "Hellrhighwater 2"
2014 E-350 Extended XLT.
Chesapeake City ,MD
-
FAT BOTTOM GIRL
- Posts: 68
- Joined: Sun Feb 05, 2012 10:49 am
- Location: Centeral Pa
Re: Starter problems
That's encouraging news !
It was sad setting at the dock & scratching my head & watching all the other boat traffic zoomin & drifting by , all I could do was to enjoy there wake minutes later.
Was a great weekend otherwise !
Can't wait to get outa work now , must stay focused !
Much thanks
It was sad setting at the dock & scratching my head & watching all the other boat traffic zoomin & drifting by , all I could do was to enjoy there wake minutes later.
Was a great weekend otherwise !
Can't wait to get outa work now , must stay focused !
Much thanks
03 suntracker party cruiser 3.0 I/O
Re: Starter problems
The first step is to make sure its a sel or starter problem, Clean each and every terminal first no matter how good it looks. They can look fine but they arnt. Then see how it starts, 90 % of all starter problems is bad connections.
If it aint broke your not having enough fun
James & Deb
1988 Riviera Cruiser 15 HP Mariner
05 Silverado Z 71 V8 5.3
James & Deb
1988 Riviera Cruiser 15 HP Mariner
05 Silverado Z 71 V8 5.3
-
FAT BOTTOM GIRL
- Posts: 68
- Joined: Sun Feb 05, 2012 10:49 am
- Location: Centeral Pa
Re: Starter problems
Tried jumping the slave solenoid on top the engine & got a louder clicking noise & the one on the starter barely sparked , no turnover.
Hooked up just the heavy starter cables nothing else , same thing.
Starter is out now , need to get a magnet & fish out a bolt from the bilge $ an inspection mirror to c if there's a shim anywhere to b found.
Hooked up just the heavy starter cables nothing else , same thing.
Starter is out now , need to get a magnet & fish out a bolt from the bilge $ an inspection mirror to c if there's a shim anywhere to b found.
03 suntracker party cruiser 3.0 I/O
- badmoonrising
- Site Admin
- Posts: 10066
- Joined: Fri Mar 30, 2007 7:04 pm
- Location: Chesapeake City, Maryland
Re: Starter problems
There was no shims on either of my boats, but if the starter is a bit "off", it may rub the flywheel. My older 3.0 was sensitive to alignment, the Party Cruiser, not. Don't know if anything was changed since the Stacraft's 3.0 was a '99 and the PC's a 2006.
Ed, Cheryl, Ethan and Aspen.
2013 Sun Tracker Party Barge 22 w/90 HP Mercury, "Hellrhighwater 2"
2014 E-350 Extended XLT.
Chesapeake City ,MD
2013 Sun Tracker Party Barge 22 w/90 HP Mercury, "Hellrhighwater 2"
2014 E-350 Extended XLT.
Chesapeake City ,MD
-
FAT BOTTOM GIRL
- Posts: 68
- Joined: Sun Feb 05, 2012 10:49 am
- Location: Centeral Pa
Re: Starter problems
Went fishing with a magnet , got the bolts , no shim. Didn't appear to b any sign of one compressed by bolts & with the way the paint spray pattern looked either ?
03 suntracker party cruiser 3.0 I/O
-
FAT BOTTOM GIRL
- Posts: 68
- Joined: Sun Feb 05, 2012 10:49 am
- Location: Centeral Pa
Re: Starter problems
Went fishing with a magnet , got the bolts , no shim. Didn't appear to b any sign of one compressed by bolts & with the way the paint spray pattern looked either ?
Tested the starter on the test bench at work & proved to b defective.
Tested the starter on the test bench at work & proved to b defective.
03 suntracker party cruiser 3.0 I/O
-
FAT BOTTOM GIRL
- Posts: 68
- Joined: Sun Feb 05, 2012 10:49 am
- Location: Centeral Pa
Re: Starter problems
I don't know weather to play the powerball or stay clear of mirrors! Lol
03 suntracker party cruiser 3.0 I/O
-
FAT BOTTOM GIRL
- Posts: 68
- Joined: Sun Feb 05, 2012 10:49 am
- Location: Centeral Pa
Re: Starter problems
Got the engine running !!
First starter I received from West marine was a no go(figures)West with great costumer service overnite shipped the correct starter at there cost !
Experience pays , taking out the starter had me worried but got the new one in with some effort.
MH Hawker was correct , the positve leads was like an anodized coating needed scraped & cleaned up , could b the cause of the starter going bad ?
Thanks again !!
This forum rocks !!
First starter I received from West marine was a no go(figures)West with great costumer service overnite shipped the correct starter at there cost !
Experience pays , taking out the starter had me worried but got the new one in with some effort.
MH Hawker was correct , the positve leads was like an anodized coating needed scraped & cleaned up , could b the cause of the starter going bad ?
Thanks again !!
This forum rocks !!
03 suntracker party cruiser 3.0 I/O