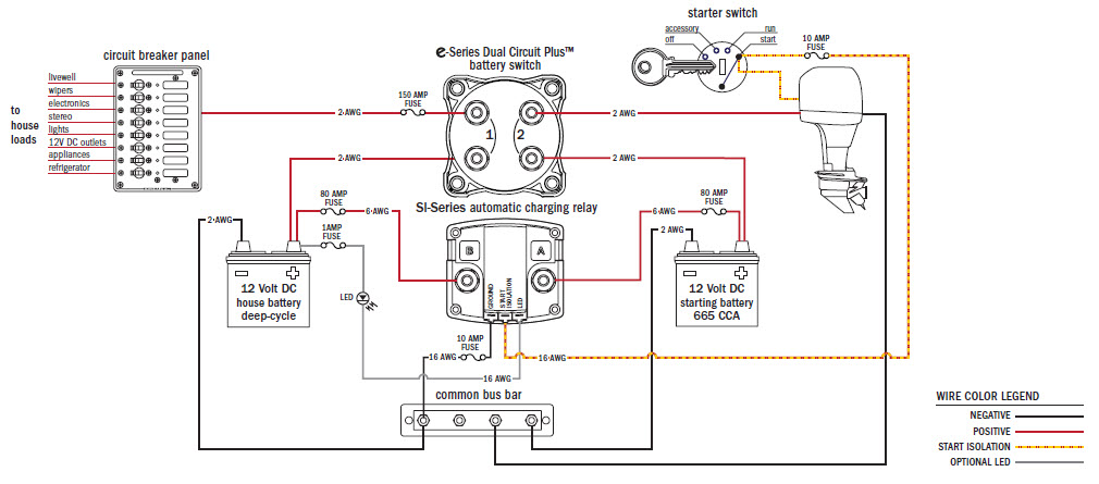
I added a Blue Sea Add-A-Battery to my boat.
Moderators: Redneck_Randy, badmoonrising, lakerunner
I added a Blue Sea Add-A-Battery to my boat.
This is how I did it.
The box is a Carlon (Model E989NL) 8†X 8†X 4†Junction Box, from Lowes
The strain relief's are Halex ½†(Model 27693) and ¾†(Model 27697) ACC Non-Metallic Strain Relief Cord Connectors from Home Depot
Throw in two Blue Sea ANL fuse holders with 100 Amp ANL fuses, and a 4-position terminal block with cover for all the ground wires.
If I were going to do it again, I would probably use the Carlon 12" X 12" X 6" box.
The box is a Carlon (Model E989NL) 8†X 8†X 4†Junction Box, from Lowes
The strain relief's are Halex ½†(Model 27693) and ¾†(Model 27697) ACC Non-Metallic Strain Relief Cord Connectors from Home Depot
Throw in two Blue Sea ANL fuse holders with 100 Amp ANL fuses, and a 4-position terminal block with cover for all the ground wires.
If I were going to do it again, I would probably use the Carlon 12" X 12" X 6" box.
- Attachments
-
- Add A Battery Schematic.jpg (101.71 KiB) Viewed 22448 times
-
- Photo06150729_50.jpg (111.86 KiB) Viewed 22479 times
-
- Photo06150801_1_50.jpg (119.87 KiB) Viewed 22473 times
-
- Photo06150729_1_50.jpg (101.05 KiB) Viewed 22469 times
2012 Tahoe 24' Fish-n-Fun Tritoon, with Mercury 115 HP 4-Stroke
"Trine SS Cape" (Trying 2S Cape)
Add a battery: viewtopic.php?t=13546&p=105893#p105893
I'm not a liberal, but I play one on this site.
"Trine SS Cape" (Trying 2S Cape)
Add a battery: viewtopic.php?t=13546&p=105893#p105893
I'm not a liberal, but I play one on this site.
Re: I added a Blue Sea Add-A-Battery to my boat.
Very well done and excellent post with info
I live in my own mind
Ain't nothin but a good time
No rain just the sunshine
Out here in my own mind
-Lyle Lovett "In My Own Mind"
2011 Princecraft 21 full camper top
90 Merc efi 4 stroke
Ain't nothin but a good time
No rain just the sunshine
Out here in my own mind
-Lyle Lovett "In My Own Mind"
2011 Princecraft 21 full camper top
90 Merc efi 4 stroke
Re: I added a Blue Sea Add-A-Battery to my boat.
+1 Very clean install!Mr Geets wrote:Very well done and excellent post with info
2006 Bennington 2575 RFi pontoon with a 2006 Yamaha F150TLR
-
monksblood
- Posts: 40
- Joined: Tue May 09, 2006 7:48 am
- Location: moose jaw
Re: I added a Blue Sea Add-A-Battery to my boat.
That is impressive. Nicely done, thanks for the idea
21 ft Sweetwater with a 90 E-tec, looking a bit beat up
- HandymanHerb
- Site Admin
- Posts: 14336
- Joined: Fri Mar 17, 2006 8:57 pm
- Location: Orlando Fla
Re: I added a Blue Sea Add-A-Battery to my boat.
Why did they use a fuse on the ground ???
In Memory of John 6x6 Larsen


Re: I added a Blue Sea Add-A-Battery to my boat.
Very neat intall. Congrats.
I love my ACR and it also has a fuse on the ground.
Not sure why tho. I just hooked it up according to SOP and it has worked for years.
Bob, did you run a forward 'controller/indicator'?
I love my ACR and it also has a fuse on the ground.
Not sure why tho. I just hooked it up according to SOP and it has worked for years.
Bob, did you run a forward 'controller/indicator'?
ToddBob
'Al the Mirthmaker' (The Third)
Build-- viewtopic.php?f=16&t=14007
Rainy Lake/Voyageurs National Park
International Falls, MN
'Al the Mirthmaker' (The Third)
Build-- viewtopic.php?f=16&t=14007
Rainy Lake/Voyageurs National Park
International Falls, MN
Re: I added a Blue Sea Add-A-Battery to my boat.
Nice job!
you may want to make a copy of the wiring diagram and seal it up in the box, or laminate a copy and store it in a batt box for a quick future reference.
you may want to make a copy of the wiring diagram and seal it up in the box, or laminate a copy and store it in a batt box for a quick future reference.
here, pull my finger
~~~~~~~~~~~~~~~~~~~~~~~~~~~~~~~
2011 Godfrey Sweetwater
Yamaha F70
~~~~~~~~~~~~~~~~~~~~~~~~~~~~~~~
2011 Godfrey Sweetwater
Yamaha F70
Re: I added a Blue Sea Add-A-Battery to my boat.
Damn! I just hate it when a DIY project turns out looking like a professional install!!
If it were me there would have been extra pieces laying around and the mount would NOT have been plum and square.
Great job!!
If it were me there would have been extra pieces laying around and the mount would NOT have been plum and square.
Great job!!
2011 Bennington 2575RCW w/ ESP
F225 Yamaha
F225 Yamaha
Re: I added a Blue Sea Add-A-Battery to my boat.
Great write up. I will definitely be using this thread for info later this spring when i add my 2nd battery
Thanks for sharing!
Thanks for sharing!
Riviera cruiser
35hp merc
Towed with an '87 Jeep Grand Wagoneer
35hp merc
Towed with an '87 Jeep Grand Wagoneer
- HandymanHerb
- Site Admin
- Posts: 14336
- Joined: Fri Mar 17, 2006 8:57 pm
- Location: Orlando Fla
Re: I added a Blue Sea Add-A-Battery to my boat.
Ok after waking up I see that fused ground is only to relay, not to the loadsHandymanHerb wrote:Why did they use a fuse on the ground ???
In Memory of John 6x6 Larsen


- TonyTwoToons
- Posts: 28
- Joined: Tue Feb 18, 2014 4:36 pm
Re: I added a Blue Sea Add-A-Battery to my boat.
Bob (or other people smarter than me),
Great post. It should be stickied!
I'm going to install my mini add-a-battery shortly. I'm going to use a larger junction box though (learning from others' experience). The layout will be nearly identical but I want to mount the box directly to the fence panel. I'll put a few rubber washers between the panel and the box for air flow. Is mounting it to the fence panel a good idea? Should I be worried about something I'm not thinking of or don't know about?
Sorry for bringing an old thread back from the dead.
Cheers,
Tony
Great post. It should be stickied!
I'm going to install my mini add-a-battery shortly. I'm going to use a larger junction box though (learning from others' experience). The layout will be nearly identical but I want to mount the box directly to the fence panel. I'll put a few rubber washers between the panel and the box for air flow. Is mounting it to the fence panel a good idea? Should I be worried about something I'm not thinking of or don't know about?
Sorry for bringing an old thread back from the dead.
Cheers,
Tony
Glad to be here, proud to serve.
2000 20' Suncruiser Trinidad 204 w/ 1999 70HP Evinrude 4 Stroke
Cruisin' The Red River in Shreveport/Bossier City, Louisiana
2000 20' Suncruiser Trinidad 204 w/ 1999 70HP Evinrude 4 Stroke
Cruisin' The Red River in Shreveport/Bossier City, Louisiana
- Mosnowman
- Posts: 380
- Joined: Fri May 04, 2012 3:31 pm
- Location: MISSOURI....usually on Lake Pomme de Terre
Re: I added a Blue Sea Add-A-Battery to my boat.
Looks great! I added one last year...check that...my Marine guy added it (I have no talent what so ever)....and love it!
Impressive clean install....I'm jealous of your ability....enjoy!
Impressive clean install....I'm jealous of your ability....enjoy!
BUSY LIVING...
2012 Harris Flotebote 240 Cruiser Tritoon
Mercury Verado 150 / Performance Package @ Rough Water Package
Columbia Mo BZLIVN
It Comes Down To a Simple Choice..Get Busy Living or Get Busy Dying....
2012 Harris Flotebote 240 Cruiser Tritoon
Mercury Verado 150 / Performance Package @ Rough Water Package
Columbia Mo BZLIVN
It Comes Down To a Simple Choice..Get Busy Living or Get Busy Dying....
Re: I added a Blue Sea Add-A-Battery to my boat.
I, too, followed Bob's lead when I redid our pontoon last summer. I put my box under the rear seat:
- Attachments
-
- 11.jpg (72.47 KiB) Viewed 20742 times
__________________________
1999 Lowe Suncruiser Trinidad 220
90 HP Evinrude 2 stroke
1999 Lowe Suncruiser Trinidad 220
90 HP Evinrude 2 stroke
Re: I added a Blue Sea Add-A-Battery to my boat.
What ever happened to 'ol Bob ? Haven't seen him post in a long time.
2019 Veranda 22 RFL 250SHO
Usually somewhere on the TN River
Usually somewhere on the TN River
- HandymanHerb
- Site Admin
- Posts: 14336
- Joined: Fri Mar 17, 2006 8:57 pm
- Location: Orlando Fla
Re: I added a Blue Sea Add-A-Battery to my boat.
Yea he hasn't post since Aug 20th, hope he alright, he's our favorite lib

In Memory of John 6x6 Larsen

